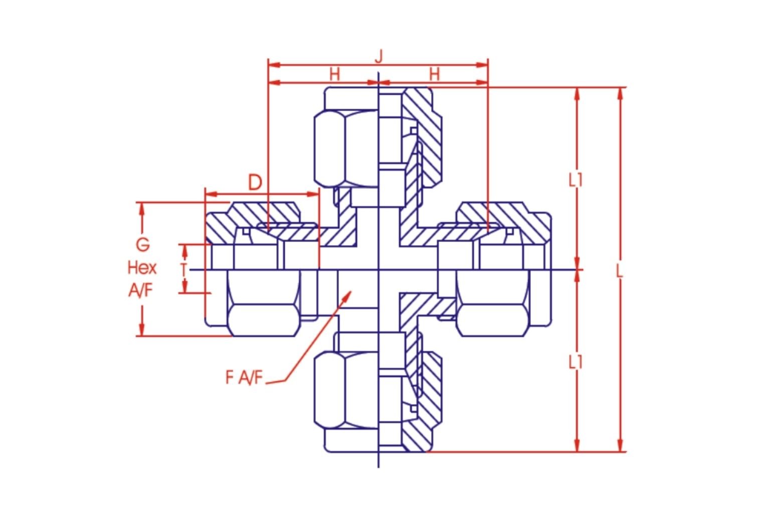
| Sl.No. | Part No. | T o/d "mm" | L1 Length "mm" | D "mm" | F Body "mm" | G Nut "mm" | H Body "mm" | J Body "mm" | L "mm" |
|---|---|---|---|---|---|---|---|---|---|
| 1 | 6mUC | 6 | 27.20 | 15.88 | 12 | 14 | 19.80 | 39.60 | 54.40 |
| 2 | 10mUC | 10 | 30.80 | 17.46 | 14 | 19 | 23.10 | 46.20 | 61.60 |
| 3 | 12mUC | 12 | 35.00 | 23.02 | 17 | 22 | 24 | 49.80 | 70.00 |
| Part No. | T o/d | L1 Length "Inch" | D "Inch" | F Body "Inch" | G Nut "Inch" | H Body "Inch" | J Body "Inch" | L "Inch" |
|---|---|---|---|---|---|---|---|---|
| 4UC | 1/4 | 1.07 | 0.60 | 0.50 | 9/16 | 0.78 | 1.56 | 2.14 |
| 6UC | 3/8 | 1.20 | 0.66 | 0.62 | 11/16 | 0.91 | 1.82 | 2.40 |
| 8UC | 1/2 | 1.38 | 0.90 | 0.81 | 7/8 | 0.98 | 1.96 | 2.76 |