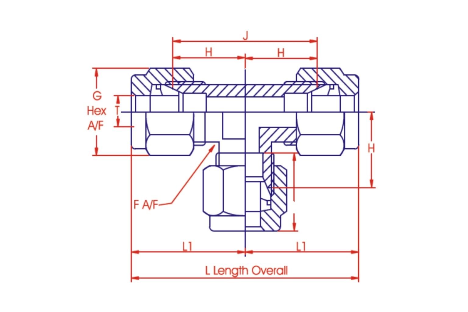
| Sl.No. | Part No. | T o/d "mm" | L1 Length "mm" | D "mm" | F Body "mm" | G Nut "mm" | H Body "mm" | J Body "mm" | L "mm" |
|---|---|---|---|---|---|---|---|---|---|
| 1 | 6mTTT | 6 | 27.20 | 15.88 | 12 | 14 | 19.80 | 39.60 | 54.40 |
| 2 | 8mTTT | 8 | 29.70 | 16.67 | 14 | 17 | 22.20 | 44.40 | 59.40 |
| 3 | 16mTTT | 16 | 36.39 | 24.61 | 24 | 27 | 26.19 | 52.38 | 72.78 |
| 4 | 18mTTT | 18 | 39.37 | 24.61 | 27 | 30 | 29.37 | 58.74 | 78.74 |
| 5 | 20mTTT | 20 | 39.37 | 24.61 | 27 | 30 | 29.37 | 58.74 | 78.74 |
| 6 | 25mTTT | 25 | 45.24 | 30.96 | 32 | 41 | 33.54 | 67.08 | 90.48 |
| Part No. | T o/d | L1 Length "Inch" | D "Inch" | F Body "Inch" | G Nut "Inch" | H Body "Inch" | J Body "Inch" | L "Inch" |
|---|---|---|---|---|---|---|---|---|
| 1TTT | 1/16 | 0.72 | 0.34 | 0.47 | 5/16 | 0.56 | 1.12 | 1.44 |
| 2TTT | 1/8 | 0.99 | 0.50 | 0.47 | 7/16 | 0.72 | 1.44 | 1.98 |
| 4TTT | 1/4 | 1.07 | 0.60 | 0.47 | 9/16 | 0.78 | 1.56 | 2.25 |
| 6TTT | 3/8 | 1.20 | 0.66 | 0.55 | 11/66 | 0.91 | 1.82 | 2.40 |
| 8TTT | 1/2 | 1.3 | 0.90 | 0.75 | 7/8 | 0.98 | 1.96 | 2.76 |
| 16TTT | 1 | 1.79 | 1.23 | 1.25 | 1-1/2 | 1.31 | 2.62 | 3.58 |