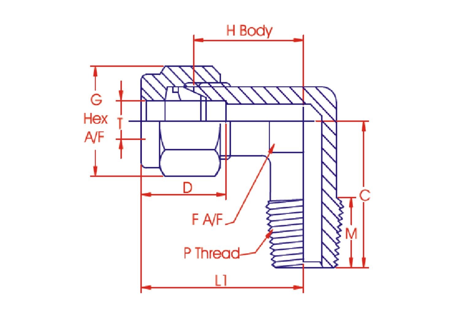
| Sl.No. | Part No. | T o/d "mm" | P | L1 Length "mm" | M "mm" | C "mm" | D "mm" | F Body "mm" | G Nut "mm" | H Body "mm" |
|---|---|---|---|---|---|---|---|---|---|---|
| 1 | 6mME4 | 6 | 1/4" | 26.19 | 14.29 | 23.81 | 15.88 | 12 | 14 | 19.80 |
| 2 | 8mME8 | 8 | 1/2" | 31.75 | 19.05 | 32.00 | 16.67 | 19 | 17 | 24.00 |
| 3 | 10mME6 | 10 | 3/8" | 28.90 | 14.29 | 28.58 | 17.46 | 14 | 19 | 23.11 |
| 4 | 12mME8 | 12 | 1/2" | 35.80 | 19.05 | 33.34 | 23.02 | 19 | 22 | 24.89 |
| 5 | 20mME12 | 20 | 3/4" | 39.69 | 19.05 | 38.10 | 24.61 | 27 | 30 | 29.37 |
| 6 | 25mME16 | 25 | 1" | 45.24 | 23.81 | 46.83 | 30.96 | 32 | 41 | 33.34 |
| Part No. | T o/d | P | L1 Length "Inch" | M "Inch" | C "Inch" | D "Inch" | F Body "Inch" | G Nut "Inch" | H Body "Inch" |
|---|---|---|---|---|---|---|---|---|---|
| 2ME2 | 1/8 | 1/8 | 0.94 | 0.38 | 0.76 | 0.53 | 0.47 | 7/16 | 0.72 |
| 4ME4 | 1/4 | 1/4 | 1.07 | 0.56 | 0.94 | 0.60 | 0.47 | 9/16 | 0.78 |
| 6ME6 | 3/8 | 3/8 | 1.23 | 0.56 | 1.00 | 0.66 | 0.55 | 11/16 | 0.91 |
| 8ME8 | 1/2 | 1/2 | 1.44 | 0.75 | 1.26 | 0.91 | 0.75 | 7/8 | 0.98 |
| 12ME12 | 3/4 | 3/4 | 1.51 | 0.75 | 1.39 | 0.96 | 1.06 | 1-1/8 | 1.11 |
| 16ME16 | 1 | 1 | 1.79 | 0.94 | 1.84 | 1.23 | 1.25 | 1-1/2 | 1.31 |