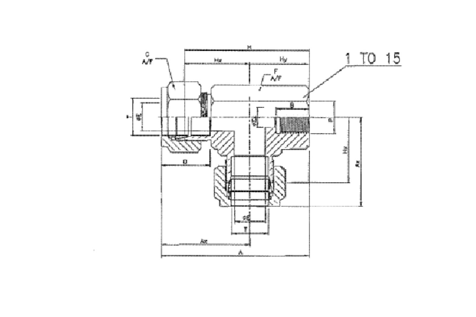
| Sl.No. | Part No. | T Tube OD | P BSPT FEMALE | A | Ax | B | D | Ø E | F A/F | G A/F | H | Hx | Hy |
|---|---|---|---|---|---|---|---|---|---|---|---|---|---|
| 1 | 16TFT12 | 1" | 3/4" | 80.8 | 49.0 | 20.6 | 31.2 | 22.3 | 36 | 38 | 68.6 | 36.8 | 31.8 |
| 2 | 16TFT16 | 1" | 1" | 91.7 | 53.6 | 25.4 | 31.2 | 22.3 | 41 | 38 | 79.5 | 41.4 | 38.1 |
| 3 | 24TFT12 | 1-1/2" | 3/4" | 117.0 | 78.0 | 20.6 | 50.0 | 22.3 | 55 | 57 | 89.8 | 50.8 | 39.0 |
| 4 | 16TFT6 | 1" | 3/8" | 76.9 | 49.0 | 15.0 | 31.2 | 14.7 | 36 | 38 | 64.7 | 36.8 | 27.9 |
| 5 | 24TFT8 | 1-1/2" | 1/2" | 117.0 | 78.0 | 19.8 | 50.0 | 15.8 | 55 | 57 | 89.8 | 50.8 | 39.0 |
| 6 | 28mTFT6 | 28mm | 3/8" | 103.0 | 64.0 | 15.0 | 36.6 | 14.7 | 41 | 46 | 82.5 | 43.5 | 39.0 |
| 7 | 12TFT6 | 3/4" | 3/8" | 69.5 | 39.5 | 15.0 | 24.4 | 14.7 | 27 | 32 | 60 | 30 | 30 |
| 8 | 24TFT16 | 1-1/2" | 1" | 123.2 | 78 | 25.4 | 50 | 22.3 | 55 | 57 | 96 | 50.8 | 45.2 |
| 9 | 28mTFT12 | 28mm | 3/4" | 102.0 | 64.0 | 20.6 | 36.6 | 22.0 | 41.0 | 46.0 | 81.5 | 43.5 | 38.0 |
| 10 | 8TFT6 | 1/2" | 3/8" | 58.4 | 36.0 | 15.0 | 22.9 | 10.4 | 22 | 22 | 48.3 | 25.9 | 22.4 |
| 11 | 8TFT12 | 1/2" | 3/4" | 80.4 | 44.6 | 20.6 | 22.9 | 10.4 | 32 | 22 | 70.3 | 34.5 | 35.8 |
| 12 | 12TFT8 | 3/4" | 1/2" | 74.7 | 44.7 | 19.8 | 24.4 | 14.7 | 27 | 32 | 60 | 30 | 30 |
| 13 | 28mTFT16 | 28mm | 1" | 109.5 | 66.0 | 25.4 | 36.6 | 22.3 | 41 | 46 | 87.0 | 43.5 | 43.5 |
| 14 | 8TFT8 | 1/2" | 1/2" | 69.9 | 39.9 | 19.8 | 22.9 | 10.4 | 27 | 22 | 59.8 | 29.8 | 30 |