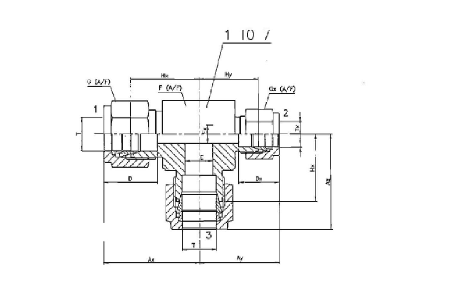
| Sl.No. | Part No. | T Tube OD | Tx Tube OD | Ax | Ay | D | Dx | Ø E | F A/F | G A/F | Gx A/F | Hx | Hy |
|---|---|---|---|---|---|---|---|---|---|---|---|---|---|
| 1 | 12TRTT8 | 3/4" | 1/2" | 39.9 | 39.9 | 24.4 | 22.9 | 10.4 | 27 | 32 | 22 | 29.7 | 29.7 |
| 2 | 16TRTT8 | 1" | 1/2" | 49.0 | 44.7 | 31.2 | 22.9 | 10.4 | 36 | 38 | 22 | 36.8 | 34.5 |
| 3 | 24TRTT16 | 1-1/2" | 1" | 78.7 | 72.9 | 50 | 41.3 | 27.6 | 55 | 57 | 38 | 50.8 | 50.8 |
| 4 | 16TRTT12 | 1" | 3/4" | 49 | 44.7 | 31.2 | 24.4 | 15.8 | 36 | 38 | 28.5 | 36.8 | 34.5 |
| 5 | 28mTRTT12 | 28mm | 3/4" | 65.9 | 55.9 | 36.6 | 24.4 | 15.8 | 41 | 46 | 32 | 43.4 | 40.9 |
| 6 | 28mTRTT16 | 28mm | 1" | 65.9 | 56.9 | 36.6 | 31.2 | 22.3 | 41 | 46 | 38 | 43.4 | 41.9 |
| 7 | 28mTRTT8 | 28mm | 1/2" | 64.0 | 48.2 | 36.6 | 22.9 | 10.4 | 41 | 46 | 22 | 43.4 | 34.5 |