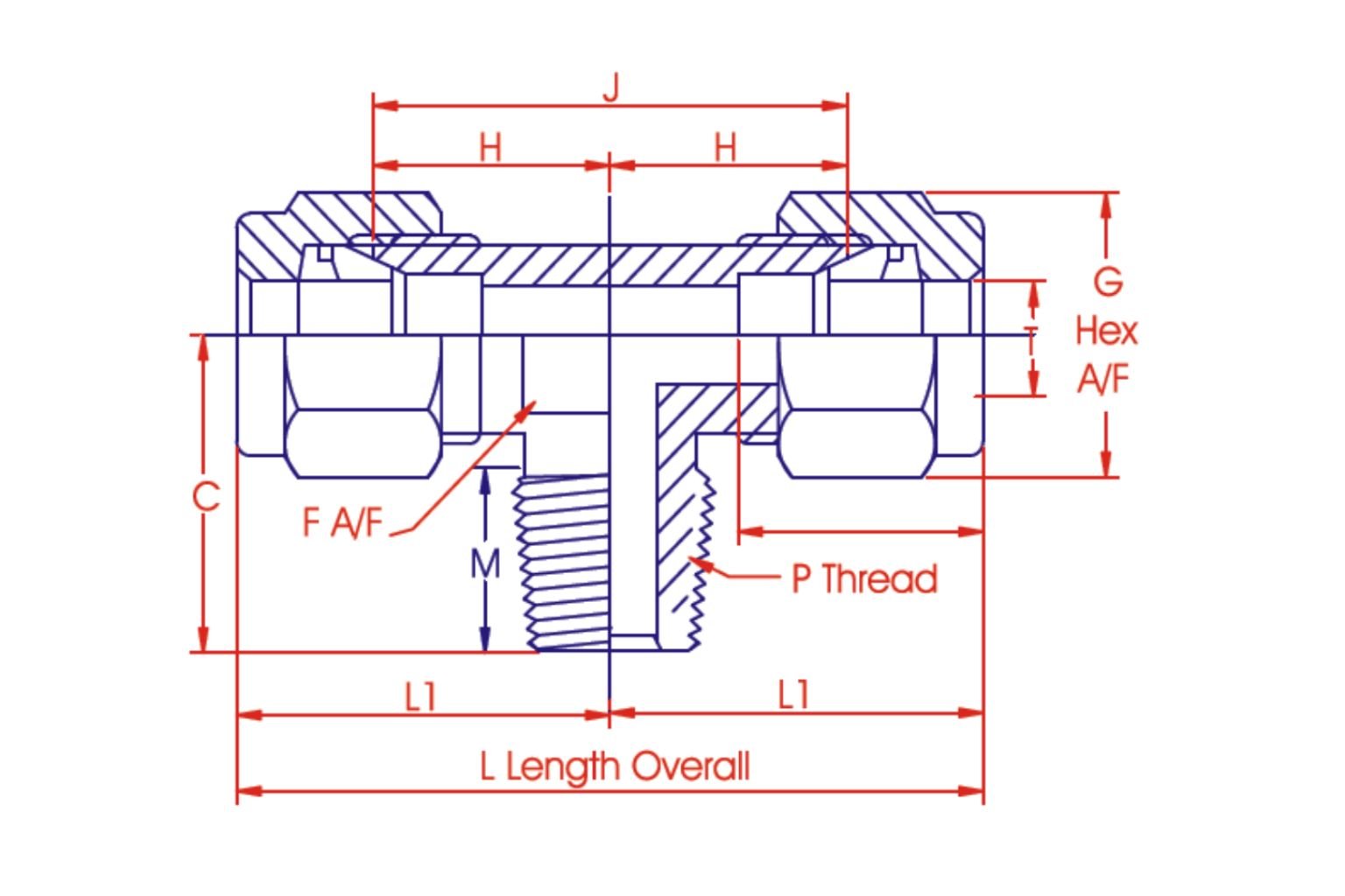
| Sl.No. | Part No. | T o/d "mm" | P | L1 Length "mm" | M "mm" | C "mm" | F "mm" | G Nut "mm" | H Body "mm" | J Body "mm" | L "mm" |
|---|---|---|---|---|---|---|---|---|---|---|---|
| 1 | 4mTTM2 | 4 | 1/8 | 26.15 | 9.53 | 19.53 | 12 | 12 | 19.05 | 38.10 | 52.30 |
| 2 | 6mTTM4 | 6 | 1/4 | 27.21 | 14.29 | 23.9 | 12 | 14 | 19.80 | 39.60 | 54.42 |
| 3 | 8mTTM8 | 8 | 1/2 | 31.50 | 19.50 | 32.00 | 19 | 17 | 24.00 | 48.00 | 63.00 |
| 4 | 10mTTM6 | 10 | 3/8 | 30.80 | 14.29 | 25.40 | 14 | 19 | 23.10 | 46.20 | 61.60 |
| 5 | 12mTTM8 | 12 | 1/2 | 32.59 | 19.05 | 32.00 | 19 | 22 | 24.89 | 49.78 | 65.18 |
| Sl.No. | Part No. | T o/d | P | L1 Length "Inch" | M "Inch" | C "Inch" | F "Inch" | G Nut "Inch" | H Body "Inch" | J Body "Inch" | L "Inch" |
|---|---|---|---|---|---|---|---|---|---|---|---|
| 1 | 2TTM2 | 1/8 | 1/8 | 0.99 | 0.38 | 0.76 | 0.47 | 7/16 | 0.72 | 1.44 | 1.98 |
| 2 | 4TTM4 | 1/4 | 1/4 | 1.07 | 0.56 | 0.94 | 0.47 | 9/16 | 0.78 | 1.56 | 2.14 |
| 3 | 5TTM2 | 5/16 | 1/8 | 1.16 | 0.38 | 0.82 | 0.55 | 5/8 | 0.87 | 1.74 | 2.32 |
| 4 | 6TTM6 | 3/8 | 3/8 | 1.21 | 0.56 | 1.00 | 0.55 | 11/16 | 0.91 | 1.82 | 2.42 |
| 5 | 8TTM8 | 1/2 | 1/2 | 1.38 | 0.75 | 1.26 | 0.75 | 7/8 | 0.98 | 1.96 | 2.76 |