

| Part No. | Part Description | Material | Quantity |
|---|---|---|---|
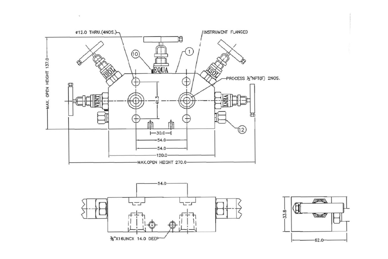
| 1 | Body | SS 316 | 1 |
| 2 | Gland Body | SS 316 | 5 |
| 3 | Gland Retainer | SS 304 | 5 |
| 4 | Gland Seal | P.T.F.E. | 10 |
| 5 | Check Nut | SS 304 | 5 |
| 6 | Spindle | SS 316 | 5 |
| 7 | Trim | SS 316 | 5 |
| 8 | Handle | SS 304 | 5 |
| 9 | Washer | SS 316 | 5 |
| 10 | Lock Pin | SS 304 | 5 |
| 11 | Dust Cap | P.V.C. | 5 |
| 12 | Drain Plug 1/4"NPT(M) | SS 316 | 2 |