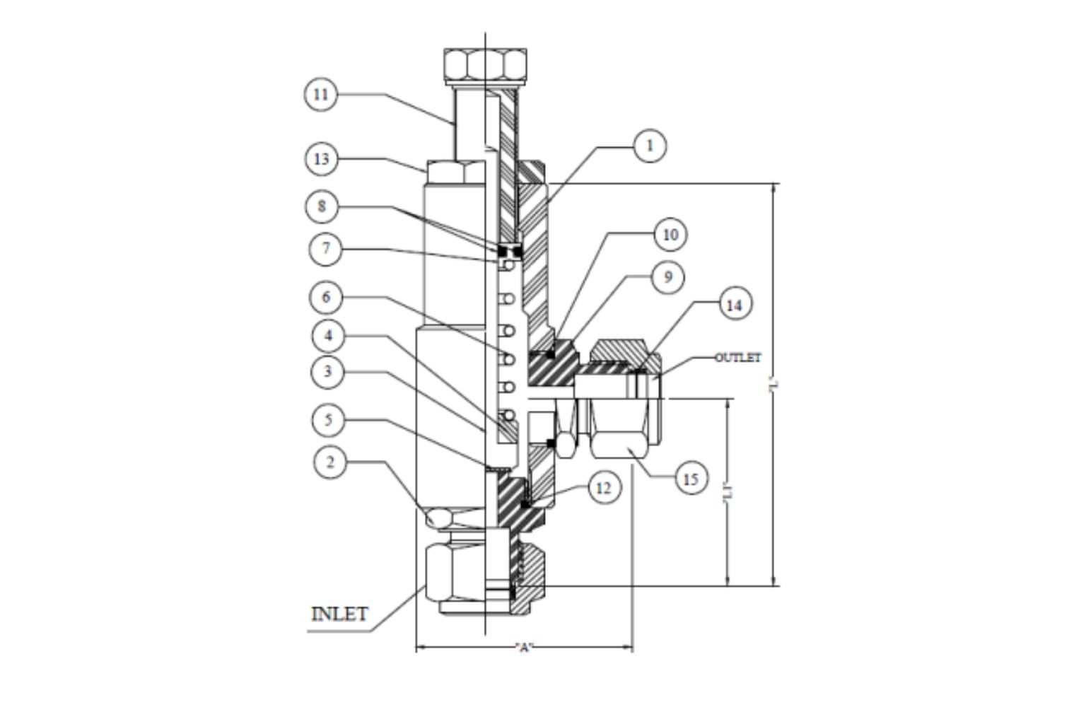
| Sr. No. | DESCRIPTION | MATERIAL | QTY |
|---|---|---|---|
| 1 | BODY | SS316 | 1 |
| 2 | INLET ADAPTOR | SS316 | 1 |
| 3 | SPINDLE | SS316 | 1 |
| 4 | LOWER SPRING GUIDE | SS316 | 1 |
| 5 | SEAL | VITON | 1 |
| 6 | SPRING | SS316 | 1 |
| 7 | UPPER SPRING GUIDE | SS 316 | 1 |
| 8 | GLAND SEAL | VITON | 2 |
| 9 | OUTLET ADAPTOR | SS 316 | 1 |
| 10 | JOINT SEAL | VITON | 1 |
| 11 | ADJUSTABLE HEAD | SS 316 | 1 |
| 12 | JOINT SEAL | VITON | 1 |
| 13 | LOCK NUT | SS 316 | 1 |
| 14 | FERRULE SET | SS 316 | 2 |
| 15 | NUT | SS 316 | 2 |