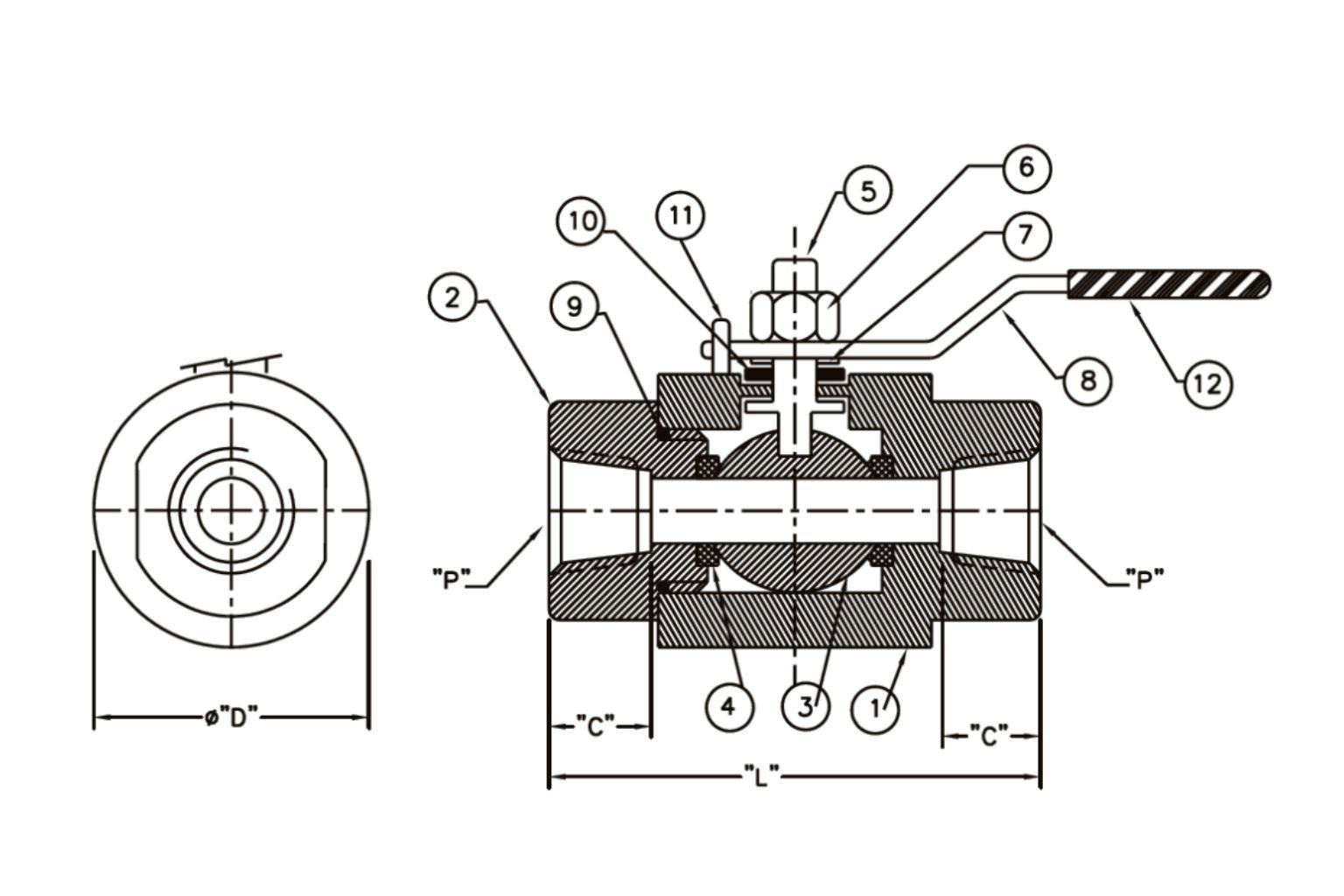
| Sl.No. | Model No. | P" Thread | L" ± 2.0 | Ø "D" ± 2.0 | C" ± 1.0 | Test Pressure Hydro | |
|---|---|---|---|---|---|---|---|
| 1 | E210-BV4 | 1/4"NPT(F) | 58.00 | 32.00 | 14.00 | 3000 PSI | 2000 PSI |
| 2 | E210-BV6 | 3/8"NPT(F) | 58.00 | 32.00 | 14.00 | 3000 PSI | 2000 PSI |
| 3 | E210-BV8 | 1/2"NPT(F) | 75.00 | 38.00 | 19.00 | 3000 PSI | 2000 PSI |
| 4 | E210-BV12 | 3/4"NPT(F) | 80.00 | 45.00 | 19.00 | 3000 PSI | 2000 PSI |
| 5 | E210-BV16 | 1.0"NPT(F) | 87.00 | 55.00 | 22.00 | 3000 PSI | 2000 PSI |
| Part No. | Description | Material | Qty |
|---|---|---|---|
| 1 | Body | SS 316 | 1 |
| 2 | Adaptor | SS 316 | 1 |
| 3 | Ball | SS 316 | 1 |
| 4 | Seat Ring | P.T.F.E. | 2 |
| 5 | Stem | SS 316 | 1 |
| 6 | Nut | SS 304 | 1 |
| 7 | Washer | SS 316 | 1 |
| 8 | Handle | SS 304 | 1 |
| 9 | O-Ring | Buna-N | 1 |
| 10 | Gland Seal | P.T.F.E. | 1 |
| 11 | Stop Pin | SS 304 | 1 |
| 12 | Handle Sleeve | P.V.C. | 1 |