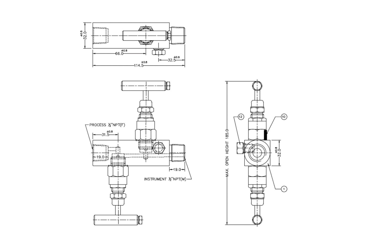
2 Way Gauge Valve : E377 CB FM

Part No.Part DescriptionMaterialQuantity
1BodySS 3161
2Gland BodySS 3162
3Gland RetainerSS 3042
4Gland SealP.T.F.E.4
5Check NutSS 3042
6SpindleSS 3162
7TrimSS 3162
8HandleSS 3042
9WasherSS 3162
10Lock PinSS 3042
11Dust CapP.V.C.2
12Drain Plug 1/4"NPT(M)SS 3161
Note : Fittings are designed to allow for combinations of different tube ends and thread connections. This flexibility is crucial for connecting various components in a piping system.