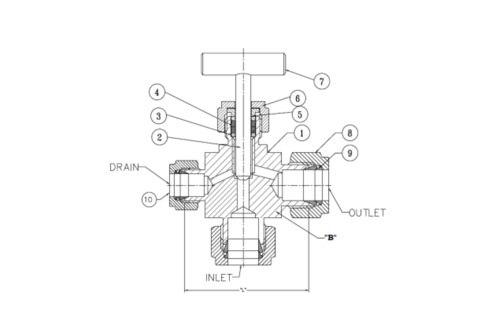
CROSS VALVE

PART No.PART DESCRIPTIONMATERIALQTY
1BODYSS 3161
2SPINDLESS 3161
3GLANDSS 3161
4GLAND PACKINGP.T.F.E.1
5GLAND BUSHSS 3161
6GLAND NUTSS 3161
7HANDLESS 3041
8COMPRESSION NUTSS 3162
9FERRULE SETSS 3162
10DRAIN 1/4" TUBE ODSS 3161
Note : Fittings are designed to allow for combinations of different tube ends and thread connections. This flexibility is crucial for connecting various components in a piping system.