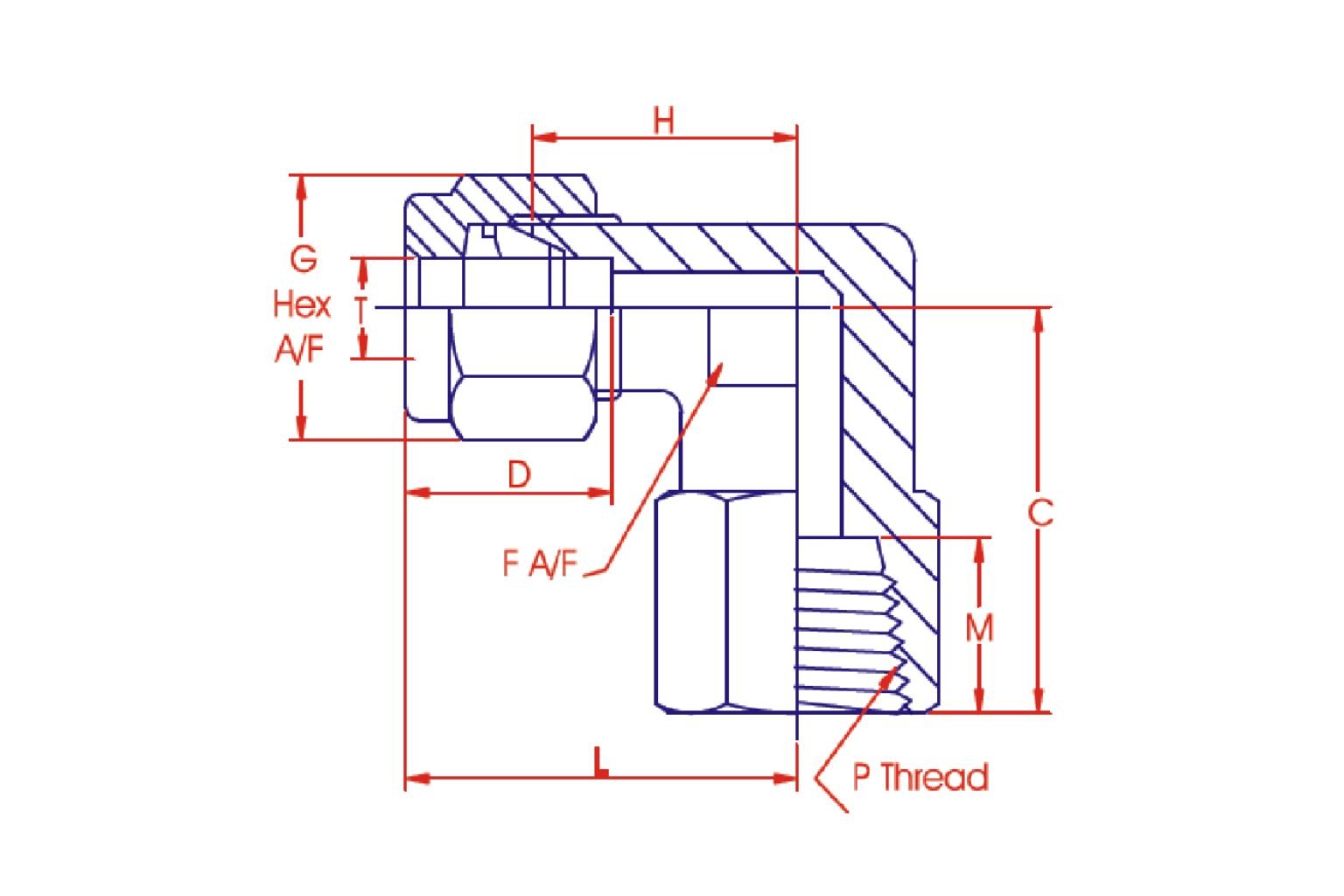
| Sl.No. | Part No. | T o/d "mm" | P | L Length "mm" | M "mm" | C "mm" | D "mm" | F Body "mm" | G Nut "mm" | H Body "mm" |
|---|---|---|---|---|---|---|---|---|---|---|
| 1 | 6mFE4 | 6 | 1/4" | 29.72 | 14.00 | 22.40 | 15.20 | 19.00 | 14.00 | 22.30 |
| 2 | 8mFE6 | 8 | 3/8 | 33.50 | 14.00 | 24.00 | 16.26 | 22.00 | 17.00 | 25.00 |
| 3 | 10mFE8 | 10 | 1/2" | 35.80 | 19.00 | 22.35 | 16.70 | 27.00 | 19.00 | 28.50 |
| 4 | 12mFE8 | 12 | 1/2" | 38.60 | 19.00 | 28.45 | 22.86 | 27.00 | 22.00 | 25.00 |
| 5 | 16mFE8 | 16 | 1/2" | 38.60 | 19.00 | 28.50 | 22.86 | 27.00 | 27.00 | 28.50 |
| Sl.No. | Part No. | T o/d | P | L Length "Inch" | M "Inch" | C "Inch" | D "Inch" | F Body "Inch" | G Nut "Inch" | H Body "Inch" |
|---|---|---|---|---|---|---|---|---|---|---|
| 1 | 2FE2 | 1/8 | 1/8 | 0.95 | 0.39 | 0.15 | 0.50 | 0.50 | 7/16 | 0.69 |
| 2 | 4FE4 | 1/4 | 1/4 | 1.17 | 0.59 | 0.88 | 0.60 | 0.69 | 9/16 | 0.88 |
| 3 | 6FE6 | 3/8 | 3/8 | 1.32 | 0.59 | 0.88 | 0.66 | 0.81 | 11/16 | 1.03 |
| 4 | 8FE8 | 1/2 | 1/2 | 1.52 | 0.78 | 1.12 | 0.90 | 1.00 | 7/8 | 1.12 |
| 5 | 12FE12 | 3/4 | 3/4 | 1.65 | 0.81 | 1.25 | 0.96 | 1.25 | 1-1/8 | 1.25 |