Home
About
Products
Instrument Tube Fittings
Bulk Head Male Connector
Bulk Head Female Connector
Bulk Head Union
Bulk Head Union Elbow
Equal TEE
Female Connector
Fitting End Closure (Plug)
Female Elbow Connector
Ferrules
Female Branch TEE
Female Adaptor
Female Run TEE
Hex Nipple
Male Branch Tee
Male Elbow Connector
Male Adaptor
Male Connector
Male Run Tee
Nut
Reducer
Reducing Union
Reducing Union Branch Tee
Reducing Union Elbow
Reducing Union Run TEE
Reducing Hex Nipple
Street Elbow
Swivel Elbow
Tube End Closure (Cap)
Union
Union Elbow
Union Cross
Union Tee
Instrument Valves & Manifolds
2 Valve Manifold Separately MT : E367 BB
2 Valve Manifold T- Type : E369 DM
2 Valve Manifold Bar Type : E368 AB
2 Valve Manifold T- Type : E370 DM
2 Way Gauge Valve : E377 CB FF
2 Way Gauge Valve : E377 CB FM
2 Way Gauge Valve : E377 CB MF
2 Way Gauge Valve : E377 CB FF – 90°
3 Valve Manifold H-Type : E301 FF
3 Valve Manifold H-Type with Drain : E302 FF
3 Valve Manifold T-Type : E305 DM
3 Valve Manifold T-Type with Drain : E306 DM
3 Valve Manifold Bar Type : E307 DM
3 Valve Manifold SM: E310RM
3 Valve Manifold SM type with Drain : E311RM
3 Valve Manifold SM type with Drain : E312RM
5 Valve Manifold H-Type : E501 FF
5 Valve Manifold T-Type : E506 DM
5 Valve Manifold Bar Type : E507 DM
5 Valve Manifold SM type : E510RM
Coplanar 5 Valve Manifold E-CP05
Needle Valve : FNPT X FNPT : E 101 NV
Needle Valve : MNPT X FNPT : E 102 NV
Needle Valve : MNPT X MNPT : E 103 NV
Needle Valve : FNPT X MNPT : E 104 NV
Angle Type Needle Valve : FNPT X FNPT : E 105 NV
Angle Type Needle Valve : MNPT X FNPT : E 106 NV
Angle Type Needle Valve : MNPT X MNPT : E 107 NV
Angle Type Needle Valve : FNPTX MNPT : E 108 NV
Needle Valve : Tube OD X Tube OD : E 109 NV
INTEGRAL BONNET NEEDLE VALVE (FXF) E111NV
Gauge Valve : E 3WNV
Ball Valve ( 2pc. Design ) : E210 -BV
Ball Valve ( 3pc. Design ): E220S -BV
Ball Valve 3pc. Bolted Design : E230B -BV
Ball Valve 3pc.Screwed Design : E220T -BV
3Way Ball Valves Tube OD : E250W3T -BV
3Way Ball Valves : E250W3 -BV
4Way Ball Valve : E250W4-BV
5Way Ball Valve : E250W5-BV
Gate Valve : E210-GV
Gate Valve : E210SR-GV
Gate Valve : E210FF-GV
Check Valve : E210-CKV
Globe Valve Swing Bolted Type : E210SW-GB
Globe Valve OS & Y Type : E220SW-GB
MONOFLANGE BLOCK & BLEED VALVE
KEY BLOCK DBB VALVE EH18
PRESSURE RELIEF VALVE
SNUBBER (MxF) E135SNB
GAUGE SAVER
BLEED VALVE
CROSS VALVE
PLUG VALVE
BELLOW SEAL VALVE (FxF) E112NV
SPACER RING
Pipe Fittings
Pipe Fittings
BW Fittings
Accessories
Certificates
GST Registration Certificate
PF Certificate
CBEC
District Award
ECM PED Bp 20025 TS58
ECM PED Bp 20025 TS59
EIL certificate
ICF Type Test
Importer Exporter Code
NSIC Certificate
THYSSENKRUPP
Trademark
TUV ASTTM F 1387-99
TUV MSS SP-99-2010
Certificate Of Incorporation
BEML
ESIC Certificate
BHEL
Certificate NABCB ISO 9001
BHPV
CLW Registration
EEPC
Export Excellence 1999-2000
Export Excellence 2000-2001
First Safe Test
ISO 9001 2025
IMC Registration
ICF
ISO 450012018 GLIPS
TOYO
Trademark
Vizag Steel
Western Railway
SAIL
ISO 450012018 GLIPS
CERTIFICATE NABCB ISO 9001
Achievement
Clients
Infrastructure
Gallery
Contact
Toggle navigation
Home
About
Products
Instrument Tube Fittings
Bulk Head Male Connector
Bulk Head Female Connector
Bulk Head Union
Bulk Head Union Elbow
Equal TEE
Female Connector
Fitting End Closure (Plug)
Female Elbow Connector
Ferrules
Female Branch TEE
Female Adaptor
Female Run TEE
Hex Nipple
Male Branch Tee
Male Elbow Connector
Male Adaptor
Male Connector
Male Run Tee
Nut
Reducer
Reducing Union
Reducing Union Branch Tee
Reducing Union Elbow
Reducing Union Run TEE
Reducing Hex Nipple
Street Elbow
Swivel Elbow
Tube End Closure (Cap)
Union
Union Elbow
Union Cross
Union Tee
Instrument Valves & Manifolds
2 Valve Manifold Separately MT : E367 BB
2 Valve Manifold T- Type : E369 DM
2 Valve Manifold Bar Type : E368 AB
2 Valve Manifold T- Type : E370 DM
2 Way Gauge Valve : E377 CB FF
2 Way Gauge Valve : E377 CB FM
2 Way Gauge Valve : E377 CB MF
2 Way Gauge Valve : E377 CB FF – 90°
3 Valve Manifold H-Type : E301 FF
3 Valve Manifold H-Type with Drain : E302 FF
3 Valve Manifold T-Type : E305 DM
3 Valve Manifold T-Type with Drain : E306 DM
3 Valve Manifold Bar Type : E307 DM
3 Valve Manifold SM: E310RM
3 Valve Manifold SM type with Drain : E311RM
3 Valve Manifold SM type with Drain : E312RM
5 Valve Manifold H-Type : E501 FF
5 Valve Manifold T-Type : E506 DM
5 Valve Manifold Bar Type : E507 DM
5 Valve Manifold SM type : E510RM
Coplanar 5 Valve Manifold E-CP05
Needle Valve : FNPT X FNPT : E 101 NV
Needle Valve : MNPT X FNPT : E 102 NV
Needle Valve : MNPT X MNPT : E 103 NV
Needle Valve : FNPT X MNPT : E 104 NV
Angle Type Needle Valve : FNPT X FNPT : E 105 NV
Angle Type Needle Valve : MNPT X FNPT : E 106 NV
Angle Type Needle Valve : MNPT X MNPT : E 107 NV
Angle Type Needle Valve : FNPTX MNPT : E 108 NV
Needle Valve : Tube OD X Tube OD : E 109 NV
INTEGRAL BONNET NEEDLE VALVE (FXF) E111NV
Gauge Valve : E 3WNV
Ball Valve ( 2pc. Design ) : E210 -BV
Ball Valve ( 3pc. Design ): E220S -BV
Ball Valve 3pc. Bolted Design : E230B -BV
Ball Valve 3pc.Screwed Design : E220T -BV
3Way Ball Valves Tube OD : E250W3T -BV
3Way Ball Valves : E250W3 -BV
4Way Ball Valve : E250W4-BV
5Way Ball Valve : E250W5-BV
Gate Valve : E210-GV
Gate Valve : E210SR-GV
Gate Valve : E210FF-GV
Check Valve : E210-CKV
Globe Valve Swing Bolted Type : E210SW-GB
Globe Valve OS & Y Type : E220SW-GB
MONOFLANGE BLOCK & BLEED VALVE
KEY BLOCK DBB VALVE EH18
PRESSURE RELIEF VALVE
SNUBBER (MxF) E135SNB
GAUGE SAVER
BLEED VALVE
CROSS VALVE
PLUG VALVE
BELLOW SEAL VALVE (FxF) E112NV
SPACER RING
Pipe Fittings
Pipe Fittings
BW Fittings
Accessories
Certificates
GST Registration Certificate
PF Certificate
CBEC
District Award
ECM PED Bp 20025 TS58
ECM PED Bp 20025 TS59
EIL certificate
ICF Type Test
Importer Exporter Code
NSIC Certificate
THYSSENKRUPP
Trademark
TUV ASTTM F 1387-99
TUV MSS SP-99-2010
Certificate Of Incorporation
BEML
ESIC Certificate
BHEL
Certificate NABCB ISO 9001
BHPV
CLW Registration
EEPC
Export Excellence 1999-2000
Export Excellence 2000-2001
First Safe Test
ISO 9001 2025
IMC Registration
ICF
ISO 450012018 GLIPS
TOYO
Trademark
Vizag Steel
Western Railway
SAIL
ISO 450012018 GLIPS
CERTIFICATE NABCB ISO 9001
Achievement
Clients
Infrastructure
Gallery
Contact
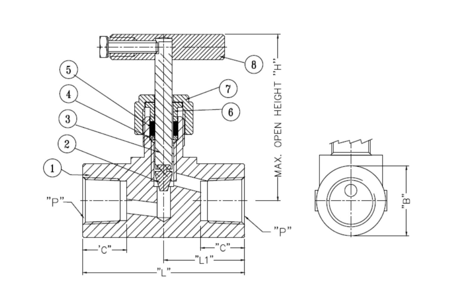
INTEGRAL BONNET NEEDLE VALVE (FXF) E111NV
Part No.
Part Description
Material
Qty
1
Body
Brass
1
2
Trim
SS 316
1
3
Spindle
SS 316
1
4
Washer
SS
1
5
Gland Seal
Graphoil
2
6
Retainer
Brass
1
7
Gland Nut
Brass
1
8
Handle
C.S. Plated
1
Note :
Fittings are designed to allow for combinations of different tube ends and thread connections. This flexibility is crucial for connecting various components in a piping system.