

Syphons allow heat to dissipate, and protect instruments from high temperature. They prevent live system contact with theinstrument. These coiled pipes are available in alloy steel or stainless steel with butt weld or threaded ends. Optional IBR approval is offered, depending upon customer requirements.

This gauge syphon is designed to replace the earlier model known as pigtail systhon and this reduces space, weight overhanging almost 55%. this provides a thermal barrier between hot vapors and the pressure gauge, pressure switch, instrument, it is easy to install and require nil maintenance.
Designed for pneumatic and hydraulic line application, these fittings can be quickly connected and disconnected without spillage, while the system in operation. Port varies from” 1/8 to 2” and is available with BSP/NPT. Proof pressure up to 400BAR.
These clamps eliminate vibration due to their unique construction. They are available in sizes ranging from 1/8”to 6” they make piping neat and sturdy and also ensuring fittings and connections do not get loosened. HDPE/ Aluminum/ St. steel body with top and bottom steel plates.
safe and simple connection from process impules line to instrument or manifold.

integral body single piece connector. Top switch from piping flange standards to instrument compression with minimum cost and better safety. Eliminates the need for additional connections
:mounting brackets used for mounting manifold to the 2” stanchion pip and the instruments gets mounted to the manifold.
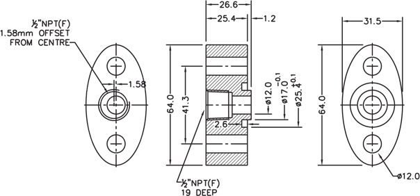
#Bracket Part No MB001 (Patent pending). “L” Type

#Bracket Part No MB002 “C” Type

Copyright © 2013 Excelock. All right reserved
Web Designed by: Xmedia Solutions
