


| METRIC RANGE | Dimention in mm | ||||||||||
|
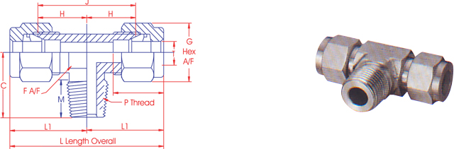
Part
|
T
|
P
|
L1
|
M
|
C
|
F
|
G
|
H
|
J
|
L
|
|
|
No
|
mm o/d
|
Length
|
Body
|
Nut
|
Body
|
||||||
| 4mTTM1 | 4 | 1/6 | 26.15 | 9.53 | 19.3 | 12 | 12 | 19.05 | 38.10 | 52.30 | |
| 4mTTM2 | 4 | 1/8 | 26.15 | 9.53 | 19.53 | 12 | 12 | 19.05 | 38.10 | 52.30 | |
| 4mTTM | 4 | 1/4 | 26.15 | 14.29 | 23.9 | 12 | 12 | 19.05 | 38.10 | 52.30 | |
| 6mTTM | 6 | 1/8 | 27.21 | 9.53 | 19.3 | 12 | 14 | 19.80 | 39.60 | 54.42 | |
| 6mTTM4 | 6 | 1/4 | 27.21 | 14.29 | 23.9 | 12 | 14 | 19.80 | 39.60 | 54.42 | |
| 6mTTM6 | 6 | 3/8 | 28.73 | 14.29 | 25.4 | 14 | 14 | 21.33 | 42.66 | 57.46 | |
| 6mTTM8 | 6 | 1/2 | 30.51 | 19.05 | 32.0 | 19 | 14 | 23.10 | 43.20 | 61.00 | |
| 8mTTM2 | 8 | 1/8 | 29.70 | 9.53 | 20.8 | 14 | 17 | 22.22 | 44.44 | 59.40 | |
| 8mTTM4 | 8 | 1/4 | 29.70 | 14.29 | 25.4 | 14 | 17 | 22.22 | 44.44 | 59.40 | |
| 8mTTM6 | 8 | 3/8 | 29.70 | 14.29 | 25.4 | 14 | 17 | 22.22 | 44.44 | 59.40 | |
| 8mTTM8 | 8 | 1/2 | 31.50 | 19.50 | 32.0 | 19 | 17 | 24.00 | 48.00 | 63.00 | |
| 10mTTM2 | 10 | 1/8 | 30.80 | 9.53 | 20.8 | 14 | 19 | 23.10 | 46.20 | 61.60 | |
| 10mTTM | 10 | 1/4 | 30.80 | 14.29 | 25.4 | 14 | 19 | 23.10 | 46.20 | 61.60 | |
| 10mTTM6 | 10 | 3/8 | 30.80 | 14.29 |
25.4 |
14 | 19 | 23.10 | 46.20 | 61.60 | |
| 10mTTM8 | 10 | 1/2 | 32.59 | 19.05 | 32.0 | 19 | 19 | 24.89 | 49.78 | 65.18 | |
| 12mTTM4 | 12 | 1/4 | 34.99 | 14.29 | 27.4 | 19 | 22 | 24.89 | 49.78 | 69.98 | |
| 12mTTM6 | 12 | 3/8 | 32.59 | 14.29 | 27.4 | 19 | 22 | 24.89 | 49.78 | 65.18 | |
| 12mTTM8 | 12 | 1/2 | 32.59 | 19.05 | 32.0 | 19 | 22 | 24.89 | 49.78 | 65.18 | |
| 16mTMT8 | 16 | 1/2 | 36.39 | 19.05 | 34.9 | 24 | 27 | 26.19 | 52.39 | 72.78 | |
| IMPERIAL RANGE | Dimention in mm | ||||||||||
|
Part
|
T
|
P
|
L1
|
M
|
C
|
F
|
G
|
H
|
J
|
L
|
|
|
No
|
mm o/d
|
Length
|
Body
|
Nut
|
Body
|
||||||
| 2TTM2 | 1/8 | 1/8 | 0.99 | 0.38 | 0.76 | 0.47 | 7/16 | 0.72 | 1.44 | 1.98 | |
| 2TTM4 | 1/8 | 1/4 | 0.99 | 0.56 | 0.94 | 0.47 | 7/16 | 0.72 | 1.44 | 1.98 | |
| 3TTM2 | 3/16 | 1/8 | 1.01 | 0.38 | 0.76 | 0.47 | 1/2 | 0.75 | 1.50 | 2.02 | |
| 4TTM2 | 1/4 | 1/8 | 1.07 | 0.38 | 0.76 | 0.47 | 9/16 | 0.78 | 1.56 | 2.14 | |
| 4TTM4 | 1/4 | 1/4 | 1.07 | 0.56 | 0.94 | 0.47 | 9/16 | 0.78 | 1.56 | 2.14 | |
| 4TTM6 | 1/4 | 3.8 | 1.13 | 0.56 | 1.00 | 0.55 | 9/16 | 0.84 | 1.68 | 2.26 | |
| 5TTM2 | 5/16 | 1/8 | 1.16 | 0.38 | 0.82 | 0.55 | 5/8 | 0.87 | 1.74 | 2.32 | |
| 6TTM2 | 3/8 | 1/8 | 1.21 | 0.38 | 0.82 | 0.55 | 11/16 | 0.91 | 1.82 | 2.42 | |
| 6TTM4 | 3/8 | 1/4 | 1.21 | 0.56 | 1.00 | 0.55 | 11/16 | 0.91 | 1.82 | 2.42 | |
| 6TTM6 | 3/8 | 3/8 | 1.21 | 0.56 | 1.00 | 0.55 | 11/16 | 0.91 | 1.82 | 2.42 | |
| 6TTM8 | 3/8 | 1/2 | 1.21 | 0.75 | 1.26 | 0.75 | 11/16 | 0.91 | 1.82 | 2.42 | |
| 8TTM | 1/2 | 1/4 | 1.38 | 0.56 | 1.08 | 0.75 | 7/8 | 0.98 | 1.96 | 2.76 | |
| 8TTM6 | 1/2 | 3/8 | 1.38 | 0.56 | 1.08 | 0.75 | 7/8 | 0.98 | 1.96 | 2.76 | |
| 8TTM8 | 1/2 | 1/2 | 1.38 | 0.75 | 1.26 | 0.75 | 7/8 | 0.98 | 1.96 | 2.76 | |
| 10TTM8 | 5/8 | 1/2 | 1.46 | 0.75 | 1.38 | 0.75 | 1 | 1.06 | 2.12 | 2.92 | |
- All Dimensions are subject to change without notice.
Copyright © 2013 Excelock. All right reserved
Web Designed by: Xmedia Solutions
