


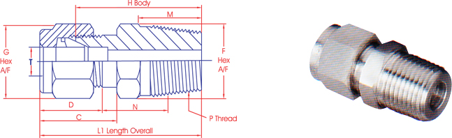
| METRIC RANGE | Dimention in mm | |||||||||
|
Part
|
T
|
P
|
L1
|
M
|
C
|
D
|
F
|
G
|
H
|
N
|
|
N0
|
mmo/d |
|
Length
|
Body
|
Nut
|
Body
|
|
|||
|
4mMC2 |
4 |
1/8′ |
31.35 |
9.53 |
16.67 |
14.29 |
12 |
12 |
24.21 |
10.72 |
|
4mMC4 |
4 |
1/4′ |
35.72 |
14.29 |
16.67 |
14.29 |
14 |
12 |
29.37 |
15.88 |
|
6mMC2 |
6 |
1/8′ |
33.34 |
9.53 |
18.26 |
15.88 |
14 |
14 |
25.40 |
11.11 |
|
6mMC4 |
6 |
1/4′ |
33.34 |
14.29 |
18.26 |
15.88 |
14 |
14 |
30.16 |
12.70 |
|
6mMC6 |
6 |
3/8′ |
38.89 |
14.29 |
18.26 |
15.88 |
19 |
14 |
30.96 |
13.49 |
|
6mMG8 |
6 |
1/2′ |
44.45 |
19.05 |
18.26 |
15.88 |
22 |
14 |
36.51 |
15.88 |
|
8mMC2 |
8 |
1/8′ |
34.53 |
9.53 |
19.05 |
16.67 |
14 |
17 |
26.59 |
11.51 |
|
8mM04 |
8 |
1/4′ |
39.29 |
14.29 |
19.05 |
16.67 |
14 |
17 |
31.35 |
13.10 |
|
10mM02 |
10 |
1/8′ |
35.72 |
9.53 |
19.84 |
17.46 |
17 |
19 |
27.78 |
11.91 |
|
10mMC4 |
10 |
1/4′ |
40.48 |
14.29 |
19.84 |
17.46 |
17 |
19 |
32.54 |
13.49 |
|
10mMC6 |
10 |
3/8′ |
40.48 |
14.29 |
19.84 |
17.46 |
19 |
19 |
32.54 |
13.49 |
|
10mMC8 |
10 |
1/2′ |
46.04 |
19.05 |
19.84 |
17.46 |
22 |
19 |
38.10 |
15.88 |
|
10mMC12 |
10 |
3/4′ |
46.83 |
19.05 |
19.84 |
17.46 |
27 |
19 |
38.89 |
15.08 |
|
12mMC4 |
12 |
1/4′ |
43.66 |
14.29 |
22.23 |
23.02 |
22 |
22 |
33.34 |
11.11 |
|
12mMC6 |
12 |
3/8′ |
43.66 |
14.29 |
22.23 |
23.02 |
22 |
22 |
33.34 |
11.11 |
|
12mMC8 |
12 |
1/2′ |
48.42 |
19.05 |
22.23 |
23.02 |
22 |
22 |
38.10 |
12.70 |
|
12mM012 |
12 |
3/4′ |
49.21 |
19.05 |
22.23 |
23.02 |
27 |
22 |
38.89 |
11.91 |
|
16mMC6 |
16 |
3/8′ |
44.45 |
14.29 |
22.23 |
24.61 |
24 |
27 |
34.13 |
10.32 |
|
16mMC8 |
16 |
1/2′ |
49.21 |
19.05 |
22.23 |
24.61 |
24 |
27 |
38.89 |
11.91 |
|
16mMC12 |
16 |
3/4′ |
49.21 |
19.05 |
22.23 |
24.61 |
27 |
27 |
38.89 |
10.32 |
|
18mMC8 |
18 |
1/2′ |
50.80 |
19.05 |
22.23 |
24.61 |
27 |
30 |
40.48 |
13.49 |
|
18mMC12 |
18 |
3/4′ |
50.80 |
19.05 |
22.23 |
24.61 |
27 |
30 |
40.48 |
10.32 |
|
18mMC16 |
18 |
1" |
56.36 |
23.81 |
22.23 |
24.61 |
36 |
30 |
46.40 |
14.29 |
|
20mMC8 |
20 |
1/2′ |
50.80 |
19.05 |
22.23 |
24.60 |
27 |
30 |
40.48 |
13.49 |
|
20mM012 |
20 |
3/4′ |
50.80 |
19.05 |
22.23 |
24.61 |
27 |
30 |
40.48 |
10.32 |
|
20mM016 |
20 |
1" |
56.36 |
23.81 |
22.23 |
14.61 |
36 |
30 |
46.04 |
14.39 |
|
25mMC12 |
25 |
3/4′ |
57.15 |
19.05 |
26.19 |
30.96 |
36 |
41 |
45.24 |
11.91 |
|
25mMC16 |
25 |
1" |
61.91 |
23.81 |
26.19 |
30.96 |
36 |
41 |
50.01 |
13.49 |
| METRIC RANGE | Dimention in Inches | |||||||||
|
Part
|
T
|
P
|
L1
|
M
|
C
|
D
|
F
|
G
|
H
|
N
|
|
N0
|
mmo/d |
|
Length
|
Body
|
Nut
|
Body
|
|
|||
|
1MC1 |
1/16 |
1/16 |
.94 |
.38 | .44 |
.34 |
5/16 |
5/16 |
.78 |
.34 |
|
1MC2 |
1/16 |
1/8 |
1.00 |
.38 | .44 |
.34 |
1/2 |
5/16 |
.84 |
.41 |
|
2MC1 |
1/8 |
1/16 |
1.19 |
.38 | .63 |
.53 |
1/2 |
7/16 |
.91 |
.41 |
|
2MC2 |
1/8 |
1/8 |
1.19 |
.38 | .63 |
.53 |
1/2 |
7/16 | .91 | .41 |
|
2MC4 |
1/8 |
1/4 |
1.41 |
.56 | .63 |
.53 |
9/16 |
7/16 | 1.13 | .50 |
|
3MC2 |
3/16 |
1/8 |
1.21 |
.38 | .63 |
.54 |
7/16 |
1/2 | .95 | .43 |
|
3MC4 |
3/16 |
1/4 |
1.42 | .38 | .63 |
.54 |
9.16 |
1/2 | 1.16 | .54 |
|
4MC1 |
1/4 |
1/16 |
1.29 |
.56 | .70 |
.60 |
1/2 |
9/16 | 1.00 | .46 |
|
4MC2 |
1/4 |
1/8 |
1.29 |
.56 | .70 |
.60 |
1/2 |
9/16 | 1.00 | .45 |
|
4MC4 |
1/4 |
1/4 |
1.50 |
.75 | .72 |
.63 |
9/16 |
9/16 | 1.19 | .50 |
|
4MC6 |
1/4 |
3/8 |
1.51 |
.38 | .70 |
.60 |
11/16 |
9/16 | 1.19 | .56 |
|
4MC8 |
1/4 |
1/2 |
1.73 |
.56 | .70 |
.60 |
7/8 |
9/16 | 1.44 | .67 |
|
5MC2 |
5/16 |
1/8 |
1.34 |
.38 | .73 |
.64 |
9/16 |
5/8 | 1.05 | .46 |
|
5MC4 |
5/16 |
1/4 |
1.52 |
.56 | .73 |
.64 |
9/16 |
5/8 | 1.23 | .54 |
|
6MC2 |
3/8 |
1/8 |
1.38 |
.56 | .76 |
.66 |
5/8 |
11/16 | 1.09 | .48 |
|
6MC4 |
3/8 |
1/4 |
1.57 |
.75 | .76 |
.66 |
5/8 |
11/16 | 1.28 | .57 |
|
6MC6 |
3/B |
3/8 |
1.57 |
.75 | .76 |
.66 |
11/16 |
11/16 | 1.28 | .56 |
|
6MC8 |
3/B |
1/2 |
1.79 |
.56 | .76 |
.66 |
7/8 |
11/16 | 1.50 | .67 |
|
6MC12 |
3/8 |
3/4 |
1.82 |
.56 | .76 |
.66 |
1-1/16 |
11/16 | 1.53 | .68 |
|
8MC4 |
1/2 |
1/4 |
1.17 |
.75 | .86 |
.90 |
13/16 |
7/8 | 1.31 | .47 |
|
8MC6 |
1/2 |
3/8 |
1.71 |
.75 | .86 |
.90 |
13/16 |
7/8 | 1.31 | .46 |
|
8MC8 |
1/2 |
1/2 |
1.90 |
.56 | .86 |
.90 |
7/8 |
7/8 | 1.50 | .54 |
|
8MC12 |
1/2 |
3/4 |
1.93 |
.75 | .86 |
.90 |
1-1/16 |
7/8 | 1.53 | .55 |
|
10MC6 |
5/8 |
3/8 |
1.74 |
.56 | .86 |
.96 |
15/16 |
1 | 1.34 | .43 |
|
10MC8 |
5/8 |
1/2 |
1.93 |
.75 | .86 |
.96 |
15/16 |
1 | 1.53 | .51 |
|
10MC12 |
5/B |
3/4 |
1.93 |
.75 | .86 |
.96 |
1-1/16 |
1 | 1.53 | .49 |
|
12MC8 |
3/4 |
1/2 |
1.99 |
.75 | .86 |
.96 |
1-1/16 |
1-1/8 | 1.59 | .57 |
|
12MC12 |
3/4 |
3/4 |
1.99 |
.75 | .86 |
.96 |
1-1/16 |
1-1/18 | 1.59 | .55 |
|
12MC16 |
3/4 |
1 |
2.21 |
.94 | .86 |
.96 |
1-3/16 |
1-1/8 | 1.81 | .68 |
|
16MC12 |
1 |
3/4 |
2.26 |
.75 | 1.04 |
1.23 |
1-3/8 |
1-1/2 | 1.78 | .55 |
|
16MC16 |
1 |
1 |
2.45 |
.94 | 1.04 |
1.23 |
1-3/8 |
1-1/2 | 1.97 | .65 |
- All Dimensions are subject to change without notice.
Copyright © 2013 Excelock. All right reserved
Web Designed by: Xmedia Solutions
